クローゼットドア 両開き戸(h09・h12) トステム(lixil リクシル)のラシッサ(旧ウッディーライン)シリーズのクローゼットドアの両開き戸は、高さと幅を選べます。このページでは、低いサイズの、h878、h1178、が購入できます。両開き (りょうびらき)は、 扉 の開閉の形態のひとつで、2枚の扉を左右に移動させることにより扉を開閉するものを指す。 対義語は1枚の扉を移動させることで開閉させる 片開き 。 両開きで開閉する扉は、 両開き戸 、 両開き扉 と呼ばれる。収納両開き ガラス クローゼット・収納3連引き戸・開閉間仕切り(折れ戸タイプ) ガラスバリエーション デザインラインナップ シングルドア 引き込み戸(上吊りタイプ)・上吊り連動引き込み戸
ウッドシャッター 折れ戸タイプ 両開き Dw Dr005 01 G140 リノベーション Diy インテリア通販のtoolbox
両開き 戸 鍵 後付け
両開き 戸 鍵 後付け-両開き イノベスト InnoBest D70 D50;両開き戸・両開きドア (りょうびらきど・りょうびらきどあ) 左右2枚の戸が、開閉するタイプの戸。 人の出入りが多いところや、大きな荷物の出し入れが必要な場所に設けられます。


和襖 開き戸 両開き戸 Sch Af3 在来工法 ノンケーシング付枠 07 W 754mm 038mm 新和風 H 2 Tostem Lixil トステム 付与 リクシル
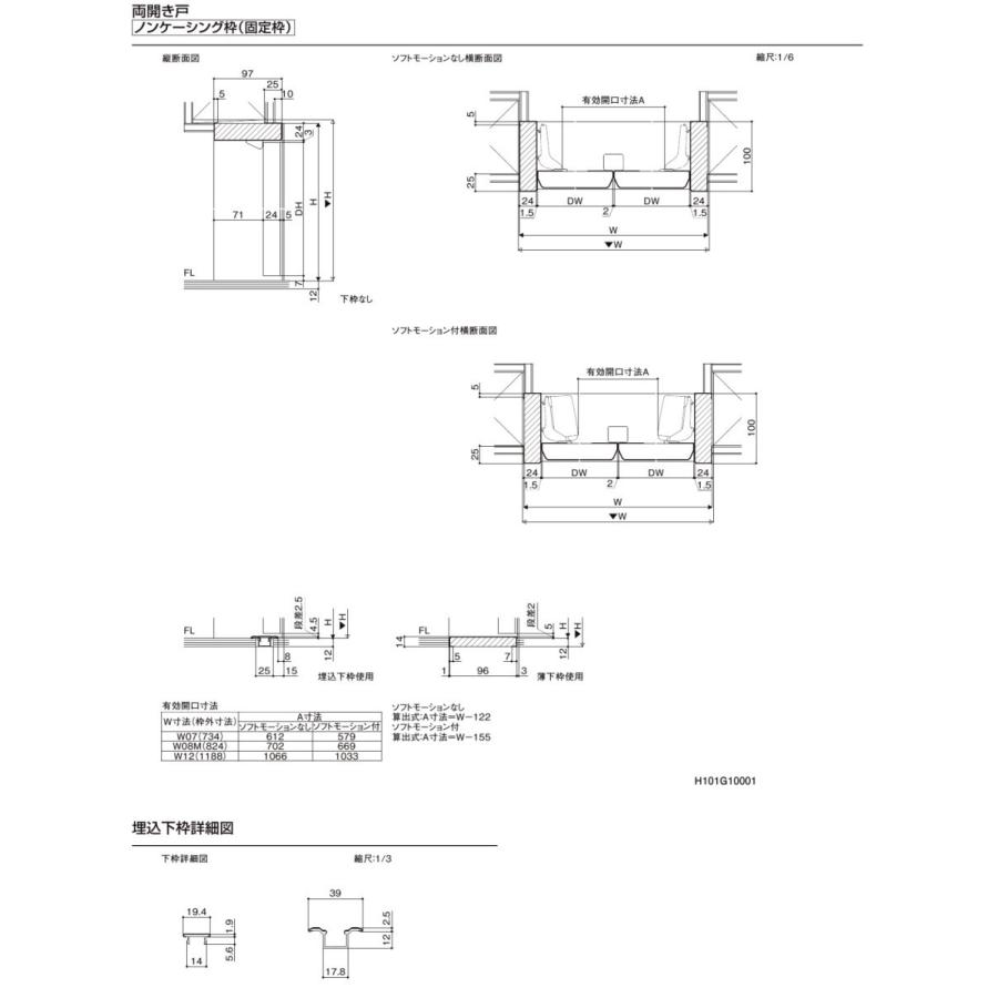
D h4 1 開 き 戸 両開き 片開き 別表による ドア上部無目に開閉装置を内蔵した開き戸 ※扉は90度開き d h4 1 折 り 戸 4枚折り戸 2枚折り戸 別表による 戸袋不要の折りたたみドア d f4 1 開 き 戸 両開き 片開き 別表による ドア下部の床に開閉装置を埋設した開き戸 ※扉は90度開きは戸当りを示しています。 h10~16の戸当りにはl・rはありません。変更する場合は、上下反転してください。 h18・hの戸当りには、l・rがあります。右図で確認してください。 片開き 両開き me l r h18・ 戸当りのl・r me 改-3両開き戸の記号(りょうびらきど) 両開き戸とは、開き戸のうち扉が左右2枚のもので、開口幅を広く確保する必要がある搬入口や人出の多いところに設けられます。 通常の使用時は片方のみ使用しもう片方は固定している場合が多いです。 ※フランス落としと呼ばれる固定金具で開閉しない方の扉を固定します。 ※戸の下部に取付、床に空けた穴に細い棒を
・片・両開き戸 (たてかまち見付127mm) 19E_05 NL300 フラッシュドア (ドア厚34mm) ・片・両開きドア ・額窓 (内外分割)(テーパー付) ・額窓 (羽根ガラリ、山形ガラリ組込み) ・ガラリ用網戸枠 19E_06 NL300 フラッシュドア (ドア厚40mm) ・片間仕切戸 部屋を仕切ったり、つなげたりして 限られた空間をフレキシブルに使える間仕切戸。 ライフスタイルや間取りに応じてお選びください。 さらに詳しく楽天市場「両開きドア 玄関ドア」231件 人気の商品を価格比較・ランキング・レビュー・口コミで検討できます。 ご購入でポイント取得がお得。 セール商品・送料無料商品も多数。
両開き:735・1190mm 引き違い戸 高さ 2100・2400mm 幅 2枚扉:1190・1645・2412mm 4枚扉:3248mm 折れ戸 高さ 2100・2400mm 幅 木枠:735・0・1190・13・1645・10・2450・2713・3256mm カラー ホワイト・ホワイトオーク・アメリカンチェリー・ブラックウォールナットファイヤードs(スチール仕様)/親子・両開き ea(2) 特定防火設備 ファイヤードs(スチール仕様)/ランマ付き親子・両開き(片側窓なし) ea(1) 特定防火設備 ファイヤードs(スチール仕様)/親子・両開き(片側窓なし) ea(2) 特定防火設備開き戸 木材の組織にプラスチックを染み込ませて 空間のアクセントとなり、 彩りを添えるドアデザイン。 こだわりの機能と使いやすさが、 暮らしの質を高めます。 詳しくはこちら 戸建用


クローゼット扉の種類


株式会社ウッドワン ピノアースカタログ カタログビュー
ナブコ防火戸 手動開き戸 FEA11/12 両開き/両開き(片側常閉) 片開き 特定防火設備用手動開き戸 65mm低膨張防火ガラス ステンレスフレーム ナブコ防火戸 はめ殺し窓 FEA1301 はめ殺し窓 特定防火設備用はめ殺し窓 65mm低膨張防火ガラス ステンレスフレーム・片・両開き戸 (たてかまち見付127mm) 19E_05 NL300 フラッシュドア (ドア厚34mm) ・片・両開きドア ・額窓 (内外分割)(テーパー付) ・額窓 (羽根ガラリ、山形ガラリ組込み) ・ガラリ用網戸枠 19E_06 NL300 フラッシュドア (ドア厚40mm) ・片折れ戸 フルオープンできるので、収納の中身が見通せて、探しやすい収納用の扉です。 ベリティス、ベリティスプラス、ベリティス クラフトレーベルの3シリーズご用意しています。


引き戸について新人がまとめてみた 群馬 高崎 前橋 のハウスメーカー 四季の住まい


ラシッサs 市場 クローゼット 両開き戸 Asch Laa 08m09 W 4mm H 878mm Lixil トステム Diy ノンケーシング Tostem リクシル ケーシング
ファイヤードii(スチール仕様)/両袖付き両開き戸・片開き戸(8ミリ厚) ea0169 特定防火設備 ファイヤードii(ステンレス仕様)/ランマ付き両開き戸(8ミリ厚) ea0222 特定防火設備 ファイヤードii(スチール仕様)/大型単窓fix(8ミリ厚) ea0223トステム ウッディーライン クローゼット両開き戸03m ドアデザインcfa ドアタイプ ノンケーシング 寸法 w4×h2306 <トステムウッディーライン両開き戸 特徴> 扉がゆっくりと閉まるソフトモーションナブコ防火戸 手動開き戸 FEA11/12 両開き/両開き(片側常閉) 片開き 特定防火設備用手動開き戸 65mm低膨張防火ガラス ステンレスフレーム ナブコ防火戸 はめ殺し窓 FEA1301 はめ殺し窓 特定防火設備用はめ殺し窓 65mm低膨張防火ガラス ステンレスフレーム


リクシル 室内ドア ラシッサs クローゼットドア 開き戸 両開き戸タイプ ノンケーシング枠 固定枠 Laa Lab サイズ選択可 Asch Z Az Asch Z Laa じゅうせつひるず Com 通販 Yahoo ショッピング


布団を入れやすいクロゼット
両開き戸種類 ・ウッディーライン 木目が縦方向なのが cfa 木目が横方向なのが cfe ・ファミリーライン 木目が縦方向なのが cma 木目が横方向なのが cme 両開き戸カラー収納両開き ガラス クローゼット・収納3連引き戸・開閉間仕切り(折れ戸タイプ) ガラスバリエーション デザインラインナップ シングルドア 引き込み戸(上吊りタイプ)・上吊り連動引き込み戸片・両開き戸 (たてかまち見付127mm) 1415E_11 NL300 フラッシュドア (ドア厚34mm) 片・両開きドア 1415E_12 額窓(内外分割) (羽根ガラリ、山形ガラリ組込み) 1415E_13 ガラリ用網戸枠 1415E_14 NL300 フラッシュドア (ドア厚40mm) 片・両開きドア 1415E_15 額窓


スチール商品のcadデータ一覧 Ykk Ap株式会社


遮煙sdドア Sdsシリーズ 快適空間設計工房 文化シヤッター
ドアの厚みも同じなので、トイレのドアを複写しパラメを活用して作成すると早いです W760を1つ作ったら、同じ形の所に複写(倍率、角度を活用)します 物入(両開き戸) ドア枠寸法も同じですし、かきなおしても良いですし、複写とパラメを使用しても良いと思います。 戸は、ちゃんと真ん中で均等になるようにしてください。 真ん中の線がないと開かずの扉開き戸ユニット(両開き) ノンケーシング 縮尺:1/5 両開き戸 基本寸法/納まり参考図 e958g e958 クローゼット両開き戸 両開き戸(nc) dh h 105 130 143 125 13 24 3 71 5 24 125 h 24 w w 有効開口寸法a dw 1 3 1 段差 2 5 32 24 8 12 2 5 2 5 1 96 段差 2 14 3 12 3 薄下枠使用 flファイヤードs(スチール仕様)/親子・両開き ea(2) 特定防火設備 ファイヤードs(スチール仕様)/ランマ付き親子・両開き(片側窓なし) ea(1) 特定防火設備 ファイヤードs(スチール仕様)/親子・両開き(片側窓なし) ea(2) 特定防火設備


片開き扉 と 両開き扉


室内ドア Woodone 標準仕様 カエルの家 大阪府高槻市で新築一戸建てをお探しなら かえるの家 株式会社サンライフホームサービス
収納両開き ガラス クローゼット・収納3連引き戸・開閉間仕切り(折れ戸タイプ) ガラスバリエーション デザインラインナップ シングルドア 引き込み戸(上吊りタイプ)・上吊り連動引き込み戸


木製室内ドアの納まり図をダウンロード


金具付ドア 両開き 製品紹介 サッシ 窓のことなら信田屋へ


断熱材入りの木製ドア 扉 を自作する 自作工房


両開き アジロ框戸 家具 建具製造 木工製品は鹿児島の山口建装株式会社へ


楽天市場 クローゼットドア 両開き戸 Asch Lab ロータイプ 階段下収納 トステム ウッディーラインwch Cfe Lixil リクシル Tostem クローゼット ドア Diy 両開きドア 改築 新築 リフォーム 日曜大工 室内ドア 建具 クローゼット扉 リビング建材 建材 Door 窓工房 ナカサ


クローゼットドア ラシッサ D パレット 両開き戸 Laa リフォームおたすけdiy ポンパレモール


両開き ドア 図面 Amrowebdesigners Com


ウッドシャッター 折れ戸タイプ 両開き Dw Dr005 01 G140 リノベーション Diy インテリア通販のtoolbox


激安単価で 品質一番 のykkap室内引戸 ラフォレスタ スタイリッシュ 木目横 4枚引き違い戸 Y12 ケーシング枠 幅2337mm 高33mm Ykk Ykk室内引戸 両開き窓 玄関ドア ひさし 室内引き戸 室内建具 木製建具 間仕切 上吊り引き戸 引戸 鍵


両開き戸 軸回し開き戸 井上建具工房 Good Job を目指して


玄関や室内ドアを引き戸に 種類や費用 メリット デメリットは 住まいのお役立ち記事


カントリーアルダードア 物入れ両開き戸納まり図 建具 室内 ドアのカントリーハウス


ラシッサs Laa クローゼット両開き戸 1223 W11mm H2306mm 室内ドア Lixil リクシル 室内建具 室内建材 クローゼットドア 扉 リフォーム Diy Laakbr013 アルミサッシ建材の建くるショップ 通販 Yahoo ショッピング


ドアと窓の種類


ラフィス Raffis クローゼット 両開き戸 ライン枠 Rlch Raa 08m W 4mm H 2 023mm Lixil リクシル Tostem トステム Raf Rlch Raa 08m Clair 通販 Yahoo ショッピング


フレイナ門扉 ハイタイプ Y1h型 両開き タッチ錠 三協アルミ 門扉ならエクスショップ


エントランス商品 ビルエントランス フロント Exima51e ピボットヒンジドアのcadデータ一覧 Ykk Ap株式会社


ドアのデザイン アクセントカラーで暮らしに彩り


引き違い戸を両開きドアにリフォーム Ykkapドアリモs03p 千葉県流山市の工事事例 玄関ドアのリフォームなら玄関ドアマイスターへお任せください


アウトセット吊戸 片引 引分 室内ドア 製品情報 Daiken 大建工業


春日井市 両引き戸 引き分け戸 Kaba 6700e 面付戸先鎌錠取り付け 作業事例 鍵開け 鍵交換 鍵修理なら カギの救急車 上飯田 黒川 名古屋 春日井 清須


遮煙防火2枚折り戸 製品情報 日東工器株式会社


大分の収納リフォーム事例と価格


インテリア建材 和室用建具のcadデータ一覧 Ykk Ap株式会社


Option Rosha Style Products


Wic扉の向きの失敗 I Smartの固定折れ戸は両開きにできる 左右反転は 一条工務店i Smartで建てるスマートハウス


ノッポ 内装建具 室内ドア 内装ドア ドア 扉 建具の通販 サンワカンパニー


施工例 厚生施設の改修 建具 両開き戸 家具建具ドットコム 株式会社ワタナベ


階段室 両開き防火戸 イケシタ設計のサッシ図面集


ウッドワンパーツショップ


収納開き戸 室内ドア 製品情報 Daiken 大建工業


外と内をつなぐ 建具 のデザイン Morinos建築秘話26 岐阜県立森林文化アカデミー


スキスムs クロゼット Eidai


扉を変更する費用


エントランス商品 ビルエントランス フロント Exima51e 丁番ドアのcadデータ一覧 Ykk Ap株式会社


14 号 両開き戸の同時開閉機構および両開き戸 Astamuse


引き戸について新人がまとめてみた 群馬 高崎 前橋 のハウスメーカー 四季の住まい


07 号 両開き戸 Astamuse


ハリマ産業株式会社 ハリマの出来事


スクリーンパーティション 間仕切 室内インテリア 室内ドア 引分け戸 アルミ枠 サッシ 両開き窓 パーテーション Maタイプ 幅2328 3508mm 高1550 2142mm ノース ウエスト 引き分け戸 Ykk Ykkapアルミインテリア Ykkapアルミインテリア


両開き戸 軸回し開き戸 井上建具工房 Good Job を目指して


格子戸 家具 建具製造 木工製品は鹿児島の山口建装株式会社へ


両開き戸 軸回し開き戸 井上建具工房 Good Job を目指して


ラシッサs Lab クローゼット両開き戸 0709 0809m W734mm W4mm H878mm 室内ドア Lixil リクシル 室内建具 室内建材 クローゼットドア 扉 リフォーム Diy Laakbr008 アルミサッシ建材の建くるショップ 通販 Yahoo ショッピング


和襖 開き戸 両開き戸 Sch Af3 在来工法 ノンケーシング付枠 07 W 754mm 038mm 新和風 H 2 Tostem Lixil トステム 付与 リクシル


外壁 庭まわり 庭まわり 門扉 ルシアス Bp02型 ノース ウエスト Yahoo ショッピング


ビル用ウインドウ ドア フラッシュドアのcadデータ一覧 Ykk Ap株式会社


18 号 両開き戸の扉体構造 Astamuse


ピーラー両開き戸 建具 岡山で昭和29年創業の老舗建具店 白石建具店


Lixil ビル マンション 商品 Pro Se 商品概要 ドア群


エレベーターのアイニチ リフト エレベーター戸の構造や開閉方向の種類


施工事例 キッチンアンドリビング 千葉県 Lixilリフォームショップ


両開き戸の取り付けに行ってきました 建具 岡山で昭和29年創業の老舗建具店 白石建具店


楽天市場 門扉 リクシル 開き門扉aa Ys1型 横桟 両開き 親子 05 07 12 05 07 14 柱使用 W10 500 700 H10 1400mm Lixil 開き門扉 リフォーム 建材百貨店


遮煙防火2枚折り戸 製品情報 日東工器株式会社


仕舞える扉 八王子 日野 昭島 立川での 中古購入 リノベーション はエンラージへ


玄関や室内ドアを引き戸に 種類や費用 メリット デメリットは 住まいのお役立ち記事


クローゼットドア ナスラック クローゼット収納両開き戸h2 050 4方枠 12 Mmw749mm Nasryou Sd 749 東京n L建材 通販 Yahoo ショッピング


両開き戸 施工事例 大阪で建具や襖 障子 収納家具なら下方建具店 創業55年


クローゼットの扉を引き戸にリフォームする費用は ハピすむ


Wic扉の向きの失敗 I Smartの固定折れ戸は両開きにできる 左右反転は 一条工務店i Smartで建てるスマートハウス


ガラス両開き書庫 Rw45 Mb10hg 木目 奥行450mm キャビネット ガラス戸 事務所用品 学校用品 システム収納庫 壁面収納庫 シリンダー錠 送料無料 保管庫 収納庫 ナチュラル カギ付き書庫 鍵付き書庫 日本製 インテリア


内装ドア 内装引戸 内障子 ふすま ガラス戸のリフォーム施工例 リフォームのオリーブホーム 小山市のリフォーム会社


12 0974号 両開き戸の同時開閉機構 Astamuse


両開き Wikipedia


楽天市場 特注サイズ ラシッサs クローゼット 両開き戸 Asch Laa W 553 11mm H 524 12mm ノンケーシング ケーシング Lixil リクシル Tostem トステム Clair クレール 楽天市場店


木製のフロントドア 両開き戸のストックフォトや画像を多数ご用意 Istock


パイン 松 材の行方 建具 岡山で昭和29年創業の老舗建具店 白石建具店


金具付ドア 両開き 製品紹介 サッシ 窓のことなら信田屋へ


神谷コーポレーション Home


サッシ インプラスのご相談は山梨県のlixilfcマドリエ南アルプス


収納の扉


ラシッサdラテオ Laa クローゼット両開き戸 07 00m Lixil リクシル 室内建具 室内建材 クローゼットドア 扉 リフォーム Diy Lssdlch 004 アルミサッシ建材の建くるショップ 通販 Yahoo ショッピング


Amazon ラシッサs クローゼットドア 両開き戸 Asch Laa 08m18 W 4mm H 1 3mm 本体色 枠色 プレシャスホワイト Yy 枠種類 ノンケーシング枠 下枠 ツバなし薄下枠 B枠 ソフトモーション なし 把手 角型l シャインニッケル Lixil リクシル Tostem


ウッドワン収納両開き戸取付施工例 小山市ay様邸住宅リフォーム施工例 Youtube


木製パインルーバー折れ戸 片開き 752 07 Dw Dr011 02 G111 リノベーション Diy インテリア通販のtoolbox


クローゼットの扉を引き戸にリフォームする費用は ハピすむ


クローゼットドア 両開き戸 四方固定枠セット 扉サイズ 高 1755 幅 337 2枚 厚 mm S0114


スチール製防音ドア 開き戸 両開き 仕様


木製パインルーバー折れ戸 両開き 1509 07 Dw Dr011 04 G111 リノベーション Diy インテリア通販のtoolbox


収納抜群 物置としても使いやすい 両開き書庫 中古オフィス家具のリスタ名古屋店


楽天市場 門扉 リクシル 開き門扉aa Ts1型 縦桟 両開き 09 12 09 14 09 16 柱使用 W1800 900 900 H10 1400 1600mm Lixil 開き門扉 リフォーム リフォーム建材屋

0 件のコメント:
コメントを投稿